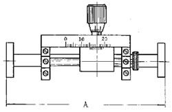
Single Screw Tuner Waveguide Stand
Adjusting micrometer head to change the depth of the bolt in the waveguide£¬ as the same time turn the screw at the left end to change the position of bolt in the waveguide £¬in order to get fine matched.
|
|
¡¡ Model |
¡¡ Frequency (GHz) |
Flange |
Adjustment Range of VSWR |
Dimension A£¨mm£© |
|
XB-SST-90
|
8.2-12.4
|
UG39/U
|
10.0-1.03
|
165
|
|
XB-SST-90
|
10.0-15.0
|
UBR120
|
140
|
|
|
XB-SST-62
|
12.4-18.0
|
UG419/U
|
110
|
|
|
XB-SST-62
|
18.0-26.5
|
UG595/U
|
90
|
|
|
XB-SST-34
|
21.7-33.0
|
UG1530/U
|
90
|
|
|
XB-SST-28
|
26.5-40.0
|
UG599/U
|
90
|
|
|
XB-SST-22
|
33.0-50.0
|
UG383/U
|
90
|
|
|
XB-SST-19
|
40.0-60.0
|
UG383/UM
|
90
|
|
| Products mentioned above are the regular products, and XiBao can design, develop and manufacture the products to meet your specifications. The frequency range of special series can be from 2.60GHz¡«110GHz, and the range of their waveguide can be from WR284£¨BJ32£©¡«WR10(BJ900). | ||||
| Model | Waveguide Type | ¦µA(mm) | Diemntion B(mm) |
| XB-WS-90 |
WR-90 | 80 | 110 |
| XB-WS-75 | WR-75 | 70 | |
| XB-WS-62 | WR-62 | 60 | |
| XB-WS-42 | WR-42 | 50 | |
| XB-WS-34 | WR-34 | 50 | |
| XB-WS-28 | WR-28 | 40 | |
| XB-WS-22 | WR-22 | 40 | |
| XB-WS-19 | WR-19 | 40 | |
| Products mentioned above are the regular products, and XiBao can design, develop and manufacture the products to meet your specifications. The frequency range of special series can be from 2.60GHz¡«110GHz, and the range of their waveguide can be from WR284£¨BJ32£©¡«WR10(BJ900). | |||
Add: Room 203, Flat 2, 25 Qinghua Dong Road, Haidian District, Beijing 100083, China
Email: sales@xibao-electronictech.com Tel: 86-10-62312909 Fax:
¡¡¡¡¡¡¡¡
¡¡¡¡¡¡¡¡¡¡¡¡
© 2005-2008 XiBao Electronic Tech. All Rights Reserved