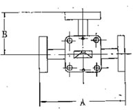
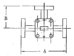
Model | Frequency (GHz) | Flange | Dimension A(mm) | Dimension B(mm) |
XB-HPT90 | 8.2-12.4 | UG39/U | 80 | 40 |
XB-EPT90 | ||||
XB-HPT75 | 10.0-15.0 | UBR120 | 70 | 35 |
XB-EPT75 | ||||
XB-HPT62 | 12.4-18.0 | UG419/U | 60 | 30 |
XB-EPT62 | ||||
XB-HPT42 | 18.0-26.5 | UG595/U | 45 | 25 |
XB-EPT42 | ||||
XB-HPT34 | 21.7-33.0 | UG1530/U | 45 | 25 |
XB-EPT34 | ||||
XB-HPT28 | 26.5-40.0 | UG599/U | 45 | 25 |
XB-EPT28 | ||||
XB-HPT22 | 33.0-5 0.0 | UG383/U |
40 | 20 |
XB-EPT22 | ||||
XB-HPT19 | 40.0-60.0 | UG383/UM | 40 | 20 |
XB-EPT19 | ||||
Products mentioned above are the regular products, and XiBao can design, develop and manufacture the products to meet your specifications. The frequency range of special series can be from 2.60GHz¡«110GHz, and the range of their waveguide can be from WR284£¨BJ32£©¡«WR10(BJ900). |
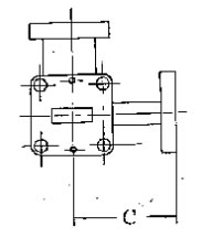
If there is microwave signal inputting from H, there will be equal amplitude and same phase outputs from main double ends. If there is microwave signal inputting from E, there will be equal amplitude and opposite phase outputs from main double ends.E and H are insulated. Double T is for simple signal distribution.
|
Model |
Frequency (GHz) | Flange | Isolation dB | Symmetry | A¡ÁB¡ÁC(mm) |
XB-EHW90 | 8.2-12.4 | UG39/U | >30 | <0.5 | 80¡Á40¡Á40 |
XB-EHW75 |
10.0-15.0 | UBR120 | 70¡Á35¡Á35 | ||
XB-EHW62 | 12.4-18.0 | UG419/U | 60¡Á30¡Á30 | ||
XB-EHW42 | 18.0-26.5 | UG595/U | 45¡Á25¡Á25 | ||
XB-EHW34 | 21.7-33.0 | UG1530/U | 45¡Á25¡Á25 | ||
XB-EHW28 | 26.5-40.0 |
UG599/U | 45¡Á25¡Á25 | ||
XB-EHW22 | 33.0-50.0 | UG383/U | 40¡Á20¡Á20 | ||
XB-EHW19 | 40.0-60.0 | UG383/UM | 40¡Á20¡Á20 | ||
Products mentioned above are the regular products, and XiBao can design, develop and manufacture the products to meet your specifications. The frequency range of special series can be from 2.60GHz¡«110GHz, and the range of their waveguide can be from R284(BJ32)-WR10(BJ900). |
¡¡
Magic T acts as a fine matched power distribution assemble, in your given frequency range. Microwave from H input, are of equal amplitude and same phase. Microwave from E input, are of equal amplitude and opposite phase. E and H are insulated. Two main inputs are in the fine matched.
|
Model |
Frequency (GHz) |
Flange |
Isolation dB |
Symmetry |
VSWR N |
VSWR E |
A¡ÁB¡ÁC(mm) |
XB-MT90 | 9.6-11.0 | UG39/U | >30 | <0.5 | 1.3 | 1.5 | 80¡Á40¡Á40 |
XB-MT75 | 11.5-13.0 | UBR120 | 70¡Á35¡Á35 | ||||
XB-MT62 | 13.0-15.0 | UG419/U | 60¡Á30¡Á30 | ||||
XB-MT42 | 18.6-26.5 | UG595/U | 45¡Á25¡Á25 | ||||
XB-MT34 | 24.0-27.5 | UG1530/U | 45¡Á25¡Á25 | ||||
XB-MT28 | 30.0-34.0 | UG599/U | 45¡Á25¡Á25 | ||||
Products mentioned above are the regular products, and XiBao can design, develop and manufacture the products to meet your specifications. The frequency range of special series can be from 2.60 Ghz to 110 Ghz, and the range of their waveguide can be from R284(BJ32)-WR10(BJ900). |
Add: Room 203, Flat 2, 25 Qinghua Dong Road, Haidian District, Beijing 100083 China
Email: sales@xibao-electronictech.com Tel: 86-10-62312909 Fax:
¡¡¡¡¡¡¡¡¡¡¡¡¡¡¡¡¡¡¡¡
© 2005-2008 XiBao Electronic Tech. All Rights Reserved